Elektrotrzymacz drzwiowy seria 1370/1380 24V DC 100kg/980N (+/-15%) 100mA 1380-30-D EATON
Elementy systemów PPOŻ
438.42
PLN
Elektrotrzymacz drzwiowy seria 1370/1380 24V DC 100kg/980N (+/-15%) 100mA 1380-30-D EATON
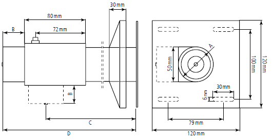
Elektrotrzymacz drzwiowy seria 1370/1380 24V DC 100kg/980N (+/-15%) 100mA 1380-30-D EATON Elektrotrzymacz drzwiowy seria 1370/1380 24V DC 100kg/980N (+/-15%) 100mA 1380-30-D EATON - przeznaczony do utrzymania drzwi przeciwpożarowych w pozycji otwartej. Podczas pożaru zwory elektrotrzymacza są automatycznie zwalniane, drzwi się zamykają wydzielając strefy pożarowe (wybrane modele posiadają zintegrowany przycisk zwalniający). Elektrotrzymacze różnią się siłą trzymania oraz sposobem montażu, co pozwala na precyzyjne dopasowanie do każdego rodzaju drzwi. Parametry techniczne:
EATON jest światowym liderem w branży dystrybucji energii elektrycznej, systemów zasilania gwarantowanego, sterowania i automatyki jak również urządzeń monitorujących oraz produktów i usług zarządzania energią elektryczną. Produkty EATON odpowiadają najnowszym standardom bezpieczeństwa oraz wymaganiom jakości. Pliki do pobrania:Dane techniczne
|
